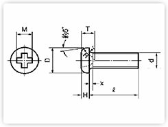
なべ小ネジ#0-1
| L/M | 1.4 | 1.6 | 1.7 | 2 | 2.3 | 2.5 | 2.6 |
|---|---|---|---|---|---|---|---|
| 1.4 | ○ | ||||||
| 1.5 | ○ | ○ | ○ | ○ | |||
| 1.6 | ○ | ○ | |||||
| 1.8 | ○ | ○ | ○ | ||||
| 2 | ○ | ○ | ○ | ○ | |||
| 2.2 | ○ | ○ | ○ | ||||
| 2.5 | ○ | ○ | ○ | ○ | ○ | ||
| 2.8 | ○ | ○ | ○ | ||||
| 3 | ○ | ○ | ○ | ○ | ○ | ○ | ○ |
| 3.2 | ○ | ||||||
| 3.5 | ○ | ○ | ○ | ○ | ○ | ||
| 4 | ○ | ○ | ○ | ○ | ○ | ○ | ○ |
| 4.5 | ○ | ○ | ○ | ○ | |||
| 5 | ○ | ○ | ○ | ○ | ○ | ○ | ○ |
| 5.5 | ○ | ○ | ○ | ||||
| 6 | ○ | ○ | ○ | ○ | ○ | ○ | ○ |
| 7 | ○ | ○ | ○ | ||||
| 8 | ○ | ○ | ○ | ○ | ○ | ||
| 9 | ○ | ○ | |||||
| 10 | ○ | ○ | ○ | ○ | ○ | ||
| 11 | ○ | ○ | |||||
| 12 | ○ | ○ | ○ | ○ | ○ | ||
| 13 | ○ | ○ | |||||
| 14 | ○ | ○ | |||||
| 16 | ○ | ||||||
| 18 | ○ |
| 外径 | 頭部外径D | 公差 | 頭部高さ | 公差 | 十字穴幅 M寸 参考値 |
十字穴深さQ寸 | |
|---|---|---|---|---|---|---|---|
| MAX | MIN | ||||||
| 1.0 | 1.80 | +0.05 -0.1 |
0.50 | +0.05 -0.05 |
1.30 | 0.39 | 0.26 |
| 1.2 | 1.80 | +0.05 -0.1 |
0.50 | +0.05 -0.05 |
1.30 | 0.39 | 0.26 |
| 1.4 | 2.00 | +0.05 -0.1 |
0.50 | +0.05 -0.05 |
1.55 | 0.74 | 0.51 |
| 1.6 | 2.40 | +0 -0.14 |
0.55 | +0 -0.1 |
1.65 | 0.84 | 0.56 |
| 1.7 | 2.50 | +0.05 -0.1 |
0.50 | +0.05 -0.05 |
1.70 | 0.89 | 0.61 |
| 2.0 | 3.00 | +0.05 -0.2 |
0.60 | +0.08 -0.08 |
2.00 | 1.21 | 0.91 |
| 2.3 | 3.50 | +0.05 -0.2 |
0.70 | +0.08 -0.08 |
2.20 | 1.41 | 1.06 |
| 2.5 | 3.80 | +0.05 -0.25 |
0.90 | +0 -0.14 |
2.20 | 1.41 | 1.06 |
| 2.6 | 4.00 | +0.05 -0.2 |
0.80 | +0.08 -0.08 |
2.20 | 1.41 | 1.06 |
会社へのアクセス



